Kontrolka TCS
Moderátor: Blue Lanos
Re: Kontrolka TCS
Mohl bych poprosit někoho, kdo má Leganzu, aby se podíval do velkého technického průkazu, zda tam máte napsané ASR-NE,ANO....a jinak vám funguje všem TCS co máte Leganzy? díky 
- Reklama
Re: Kontrolka TCS
Já mám na jednom řádku: ABS-ANO, Retardér-NE, ASR-NE.
Naposledy upravil(a) Slam dne čtv led 31, 2013 14:53, celkem upraveno 1 x.
• EX: Daewoo Leganza 2.0 CDX (12/2002) • černá metalíza • 16V 93kW (T20SED)
• Renault Clio III Grandtour 1.2 (07/2010) • červená • 16V 55kW (D4FD7)
• Renault Megane III Grandtour 1.6 (08/2015) • hnědá metalíza • 16V 81kW (K4MR8)
• Renault Clio III Grandtour 1.2 (07/2010) • červená • 16V 55kW (D4FD7)
• Renault Megane III Grandtour 1.6 (08/2015) • hnědá metalíza • 16V 81kW (K4MR8)
Re: Kontrolka TCS
Díky, a TCS ti při prokluzu bliká na tachometru? Mám to napsané úplně stejně jako ty..možná proto že někdo si myslí že ASR je jiné než TCS, tak proto máme napsané "NE"..a pokud tobě funguje, tak je u mě někde problém.
Re: Kontrolka TCS
Ahoj ja mám TCS a kontrolka preblikáva ked je v činosti no a ked nejde ABS tak potom neni funkčné ani TCS ináč je to dobrá vec no vypnút sa to nedá
ASR to nemám
- LordMMX
- Příspěvky: 1589
- Registrován: ned úno 20, 2011 05:06
- Bydliště: Halič /SVK/
- Kontaktovat uživatele:
Re: Kontrolka TCS
ja si myslím že by stačilo nájsť RJ TCS a dorobiť k napájaniu jednoduchý spínač a ten vyviesť na palubku a tym pádom mať šancu to vypnúť "podľa chuti"
Daewoo Lacetti Premiere 2011 (Cruze)
Daewoo Leganza "Areum" CDX 2.0, central + alarm, el. okna, digi klima, dualbag, ABS/TCS
Daewoo nie je len značka... je to životný štýl !! :)
ex: Leganza, 2x Evanda, Lanos, Corsa, Nexia, Espero, Marea
Daewoo Leganza "Areum" CDX 2.0, central + alarm, el. okna, digi klima, dualbag, ABS/TCS
Daewoo nie je len značka... je to životný štýl !! :)
ex: Leganza, 2x Evanda, Lanos, Corsa, Nexia, Espero, Marea
Re: Kontrolka TCS
Děkuji vám..No já bych byl radši, kdyby mi to fungovalo
..nebo to funguje a jen nic nebliká. ABS bych měl mít v pořádku, ale je pravda, že se mi někdy rozsvítí kontrolka ABS, poslední dobou to dělalo častěji, takže asi nějaké čidlo nebo něco..nedělá to pořád, tak to moc neřeším. A ikdyž ABS je ok, tak TCS mi stejně nikdy neblikalo
..asi to TCS budu muset zkontrolovat vizuálně v akci
..jinak nezjistím jestli jde nebo ne..nebo možná ta diagnostika.
Re: Kontrolka TCS
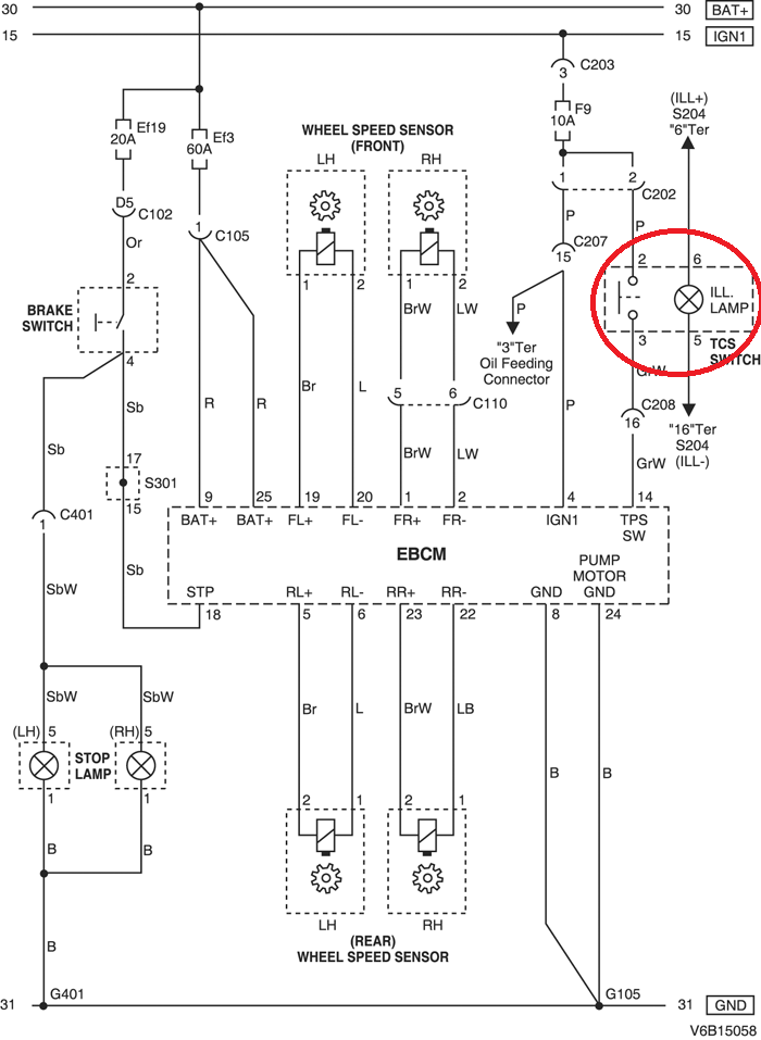
Skus porovnat schemu zapojenia s Evandou. Tam je aj vypinac TCS.
ex EVANDA, strieborná metalíza svetlá,
LPG BRC sequent 24
Automatické zapínanie svetiel, cúvacie senzory.
ex ESPERO strieborná metalíza.
ex ESPERO modrá metalíza.
DAEWOO MERCEDES McLAREN
LPG POZITIVE.
EGR NEGATIVE.
Diagnostika Autel Maxidiag univerzal.
LPG BRC sequent 24
Automatické zapínanie svetiel, cúvacie senzory.
ex ESPERO strieborná metalíza.
ex ESPERO modrá metalíza.
DAEWOO MERCEDES McLAREN
LPG POZITIVE.
EGR NEGATIVE.
Diagnostika Autel Maxidiag univerzal.
Re: Kontrolka TCS
Něco mi tam určitě problikává...Patrick píše:Díky, a TCS ti při prokluzu bliká na tachometru?
Když se Ti (občas) rozsvěcuje kontrolka ABS, tak to v pořádku určitě není a pak nic kolem toho nefunguje. Mluvím z vlastní zkušenosti, taky se mi někdy rozsvítila před cca 2 roky, podle diagnostiky stačilo vyměnit čidlo na PP kole a vše zase začalo fungovat, jak má.Patrick píše:ABS bych měl mít v pořádku, ale je pravda, že se mi někdy rozsvítí kontrolka ABS, poslední dobou to dělalo častěji, takže asi nějaké čidlo nebo něco..nedělá to pořád, tak to moc neřeším.
• EX: Daewoo Leganza 2.0 CDX (12/2002) • černá metalíza • 16V 93kW (T20SED)
• Renault Clio III Grandtour 1.2 (07/2010) • červená • 16V 55kW (D4FD7)
• Renault Megane III Grandtour 1.6 (08/2015) • hnědá metalíza • 16V 81kW (K4MR8)
• Renault Clio III Grandtour 1.2 (07/2010) • červená • 16V 55kW (D4FD7)
• Renault Megane III Grandtour 1.6 (08/2015) • hnědá metalíza • 16V 81kW (K4MR8)
Re: Kontrolka TCS
Aha, a zjisti diagnostika špatné čidlo ikdyž abs nebude svítit? měl jsem v plánu to dát na diagnostiku, ale když mi ABS nesvítilo, tak jsem si myslel, že nikde chybu počítač nenajde.
Re: Kontrolka TCS
Diagnostika ti to ukaze. Original ti aj ukaze pocas jazdy aj rychlost kazdeho kolesa a da sa robit test.
Tebe staci odmerat cidla ci su v poriadku. Ci uz na cidlach ale aj pri riadiacej jednotke ABS.
Tebe staci odmerat cidla ci su v poriadku. Ci uz na cidlach ale aj pri riadiacej jednotke ABS.
ex EVANDA, strieborná metalíza svetlá,
LPG BRC sequent 24
Automatické zapínanie svetiel, cúvacie senzory.
ex ESPERO strieborná metalíza.
ex ESPERO modrá metalíza.
DAEWOO MERCEDES McLAREN
LPG POZITIVE.
EGR NEGATIVE.
Diagnostika Autel Maxidiag univerzal.
LPG BRC sequent 24
Automatické zapínanie svetiel, cúvacie senzory.
ex ESPERO strieborná metalíza.
ex ESPERO modrá metalíza.
DAEWOO MERCEDES McLAREN
LPG POZITIVE.
EGR NEGATIVE.
Diagnostika Autel Maxidiag univerzal.
Re: Kontrolka TCS
Ak je zle cidlo, tak bude svietit urcite.Patrick píše: ... a zjisti diagnostika špatné čidlo ikdyž abs nebude svítit?
ex EVANDA, strieborná metalíza svetlá,
LPG BRC sequent 24
Automatické zapínanie svetiel, cúvacie senzory.
ex ESPERO strieborná metalíza.
ex ESPERO modrá metalíza.
DAEWOO MERCEDES McLAREN
LPG POZITIVE.
EGR NEGATIVE.
Diagnostika Autel Maxidiag univerzal.
LPG BRC sequent 24
Automatické zapínanie svetiel, cúvacie senzory.
ex ESPERO strieborná metalíza.
ex ESPERO modrá metalíza.
DAEWOO MERCEDES McLAREN
LPG POZITIVE.
EGR NEGATIVE.
Diagnostika Autel Maxidiag univerzal.
Re: Kontrolka TCS
Patrick niekde pri lavom prednom svetle a hrdlom nádržky ostrekovača sa nachádza zásuvka čo ide od riad.jed abs rozpoj ju a riadne vyčisti
mne to pomohlo no čidlá sa daju premerat každé jedno ohmetrom maju zásuvky ktorú rozpojíš a zmeriaš ak ich budeš mat v poriadku pozri ešte či niekde nieje prasknutý ozubený krúžok alebo neaká nečistota medzi nim a snímačom abs

Re: Kontrolka TCS
Patricku natočil jsem jak to je při otočení klíčku :
http://www.youtube.com/watch?v=T4XnbvLsOSM
Jinak bliká při rozjezdu na sněhu.
http://www.youtube.com/watch?v=T4XnbvLsOSM
Jinak bliká při rozjezdu na sněhu.
Megane Grandtour ,Chevy Trax diesel automat
Sen- http://www.youtube.com/watch?v=mhAT0Bm1gjg&feature=related
Jde o politováníhodný omyl, který se stává maximálně dvakrát za deset let.
Přéčinó bela chebná elektronka E13 z našeho podniko Katoda Olomóc.
80% mozku tvoří kapalina u některých brzdová
Sen- http://www.youtube.com/watch?v=mhAT0Bm1gjg&feature=related
Jde o politováníhodný omyl, který se stává maximálně dvakrát za deset let.
Přéčinó bela chebná elektronka E13 z našeho podniko Katoda Olomóc.
80% mozku tvoří kapalina u některých brzdová
Re: Kontrolka TCS
Jj díky všem za rady i to video, já ted vůbec neměl čas se k tomu dostat, ale vím, že při zapnutí klíčku se mi TCS nerožne vůbec..možná že i třeba někde v kabeláži problém, stejně tak mi nesvítí kontrolky dveří, kapoty a kufru 
Re: Kontrolka TCS
Až přijdeš na tu kontrolku dveří, určitě napiš, taky mi přestala před časem svítit.Patrick píše:možná že i třeba někde v kabeláži problém, stejně tak mi nesvítí kontrolky dveří, kapoty a kufru
• EX: Daewoo Leganza 2.0 CDX (12/2002) • černá metalíza • 16V 93kW (T20SED)
• Renault Clio III Grandtour 1.2 (07/2010) • červená • 16V 55kW (D4FD7)
• Renault Megane III Grandtour 1.6 (08/2015) • hnědá metalíza • 16V 81kW (K4MR8)
• Renault Clio III Grandtour 1.2 (07/2010) • červená • 16V 55kW (D4FD7)
• Renault Megane III Grandtour 1.6 (08/2015) • hnědá metalíza • 16V 81kW (K4MR8)