Led denne svietenie

Osvětlení, signalizace, audio, pojistky.

Moderátoři: Blue Lanos, Scorpion.11, lomngi

Odpovědět
Uživatelský avatar
ladinek
Příspěvky: 6585
Registrován: úte srp 04, 2009 19:49
Bydliště: Brno

Re: Led denne svietenie

Příspěvek od ladinek »

U nás není přepínač on-off -P je to furt on :o)
Aby zlo zvítězilo, stačí, když slušní lidé nedělají nic.
Edmund Burke

[color=#FF0000]Chevrolet Aveo 1,4, 101hp, 74 kw [/color]
Reklama
 

Uživatelský avatar
Scorpion.11
Příspěvky: 6287
Registrován: úte kvě 19, 2009 14:36
Bydliště: Městys Jedovnice

Re: Led denne svietenie

Příspěvek od Scorpion.11 »

No hold lepší auta už to přepínání mají :lol:
AVEO, 1.4 SEDAN STAR, 69KW, r.v 2008, koupeno (5/2009)

člen AVEO Fanclubu
Uživatelský avatar
frezzi
Příspěvky: 1576
Registrován: pon říj 08, 2012 17:10
Bydliště: Slovensko

Re: Led denne svietenie

Příspěvek od frezzi »

:mrgreen: :mrgreen: :mrgreen: :mrgreen: -i
Aveo 1.4 16V 69Kw, sedan Šedá Metalíza -
výbava : čím ďalej tým lepšia :D
Pavel73
Příspěvky: 11
Registrován: stř kvě 21, 2014 07:39

Re: Led denne svietenie

Příspěvek od Pavel73 »

Jak to tedy dopadlo s tím odpojením denního svícení přes H4? Mě to opravdu vadí,
zkoušel jsem podle google vyndat pojistku u řidiče a nic. Další návody ukazují relé
DLR pod palubovkou u sloupku řízení, ale to u mne také není :-( Můj sedan 2010
je zřejmě jiný model (tedy již třetí způsob - neznámí).

Pavel
Aveo Sedan Sportline 1.4 16V 74kW r.v.2010
Uživatelský avatar
slidil
Příspěvky: 1126
Registrován: pon úno 06, 2012 22:04
Bydliště: Koštice, okr. Louny

Re: Led denne svietenie

Příspěvek od slidil »

No já mám taky sedan 2010 jako ty, a DLR mám odpojený.
Bohužel nevím jak. Už jsem to takhle koupil. Pod palubovkou mám ustřihlí dva dráty a přepojený do přídavnejch LED DLR.
Ale když to tu někdo zkoušel přepojit podle toho jak to mám já tak mu zhasli všechny světla a měl problém to dát zpátky do kupy, tak nevím. ;)

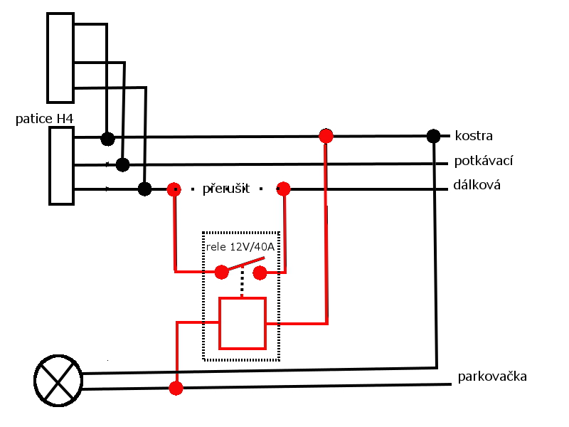
Pokud jsou na DLR použitý vlákna dálkovejch světel, tak by to mělo jít takhle:
(za předpokladu, že pokud jsou aktivní DLR tak parkovačka nesvítí)
vypnuti DRL.jpg
Hyundai Bayon 1.2DPi 58kW - 2024

Bylo:
Captiva 2,2VCDi LTZ 135kW - 2012 (4x4 - 7míst)
Chevrolet Aveo 1,4 74kW - 2010
Hyundai Santamo 2,0i 102kW - 1999 (4x4 - 7míst)
Pavel73
Příspěvky: 11
Registrován: stř kvě 21, 2014 07:39

Re: Led denne svietenie

Příspěvek od Pavel73 »

Já tam mám bohužel nějaký automat, jak zapnu klíček, tak svítí parkovačky a když nastartuji
tak se k nim rozsvítí tlumené. Jsem s toho jelen... asi to opravdu bude v PC a to bude konec.
No uvidím zda na něco přijdu, ale zatím to vypadá bledě.... Na posledním autě mi to při mém
courání po městě ušetřilo min. 0,5 l benzínu na 100 km a to nepočítám opotřebení parabol a H4.
Dal bych si tam lepší H4, ale až to vypnu.
Aveo Sedan Sportline 1.4 16V 74kW r.v.2010
Uživatelský avatar
Boeing737
Příspěvky: 1883
Registrován: ned čer 10, 2012 02:27

Re: Led denne svietenie

Příspěvek od Boeing737 »

Som tiež na "čakacej" listine ako odpojiť automatiku.
Ja to mám tak,že:

Otočný spínač svetiel vľavo:
-otočím kľúčom a po naštartovaní sa zapnú stretávacie svetlá.
V tomto režime tzv.dennom,nesvieti podsvietenie /ovládanie na volante,kúrenie,klíma a pod./,nedajú sa zapnúť diaľkové svetlá /iba bliknutie/ a nedá sa zapnúť zadná hmlovka /predné nemám/.

Otočný spínač svetiel vpravo:
-otočím kľúčom a hneď sa zapnú stretávacie svetlá. Pri naštartovaní sa na 1s vypnú a opäť sa zapnú. V tomto režime tzv.nočnom,svieti podsvietenie /ovládanie na volante,kúrenie,klíma a pod./,dajú sa zapnúť diaľkové svetlá a dá sa zapnúť zadná hmlovka /predné nemám/.

Otočný spínač svetiel v strede:
-svietia parkovačky,stretávacie svetlá sa vypli.

Toto je jediná poloha,keď sa vypnú stretávacie svetlá a tak by som možno začal tu. Na VW fóre som čítal,že ak sa nedá vypnúť svietenie cez RJ pomocou VAG /diagnostika pre VW/,tak to robia cez spínač. Dal som to pozrieť dvom ľuďom,ale ani jeden nenašiel v mojej RJ kolónku svetlá,alebo osvetlenie. Do útrob ich RJ nevpustila...bez orig.programu to asi nepôjde.
Inak počas svietenia stretávacích svetiel,mi svietia aj parkovačky.
Nejako sa to deaktivovať musí dať,lebo je plno fotiek,kde na Aveo /píšem o T300-ke/ predávajú DRL svetlá a svieti im to.

Ďalší problém bude podľa mňa chybové hlásenie na palubovke,lebo Aveo takto reaguje na LED-ky,aj keď sú CANBUS...niekto musel vyskúšať z 10ks jednu,ktorá bola ok.
Přílohy
vifLbjz.jpg
Chevrolet AVEO LT, 1.2 63kW,2012 Borocay Blue
...v koži od MAD, DRL, kamera ... a ešte nie je koniec :)
Uživatelský avatar
frezzi
Příspěvky: 1576
Registrován: pon říj 08, 2012 17:10
Bydliště: Slovensko

Re: Led denne svietenie

Příspěvek od frezzi »

ako píšeš, nemusí to byť vôbec v RJ auta ale len prostredníctvom vypínača alebo to má svoj vlastný modul..
Aveo 1.4 16V 69Kw, sedan Šedá Metalíza -
výbava : čím ďalej tým lepšia :D
Uživatelský avatar
Boeing737
Příspěvky: 1883
Registrován: ned čer 10, 2012 02:27

Re: Led denne svietenie

Příspěvek od Boeing737 »

Bol som v Chevy,nahrali obsah RJ a poslali do nemecka.
Nemci nesúhlasili s vypnutím,lebo u nás je povinné!
Moje auto!!! Nemec bude rozhodovať?
US,RUS,Ukraina fórum nepomohlo.
Napísal som centrále,ale nepomohlo.
V starom Aveu stačilo vytiahnúť modul s nejakým žltým označením. Čítal som to na nejakom fóre.
Podobnú som našiel v mojom aute pod palubovkou,ale nedá sa vytiahnúť. Kábel ide zo štartéra.
Čo to je?
Přílohy
2015-02-14 14.31.58.jpg
2015-02-14 14.33.29.jpg
Chevrolet AVEO LT, 1.2 63kW,2012 Borocay Blue
...v koži od MAD, DRL, kamera ... a ešte nie je koniec :)
Uživatelský avatar
Boeing737
Příspěvky: 1883
Registrován: ned čer 10, 2012 02:27

Re: Led denne svietenie

Příspěvek od Boeing737 »

DRL už namontované mám.
Přílohy
2015-02-06 14.17.34.jpg
Chevrolet AVEO LT, 1.2 63kW,2012 Borocay Blue
...v koži od MAD, DRL, kamera ... a ešte nie je koniec :)
Uživatelský avatar
Boeing737
Příspěvky: 1883
Registrován: ned čer 10, 2012 02:27

Re: Led denne svietenie

Příspěvek od Boeing737 »

Na starom vytiahnite tento konektor a hotovo.
Je pod palubovkou.
Přílohy
2015-02-14 14.54.32.png
Chevrolet AVEO LT, 1.2 63kW,2012 Borocay Blue
...v koži od MAD, DRL, kamera ... a ešte nie je koniec :)
Uživatelský avatar
pejee
Příspěvky: 1186
Registrován: pát čer 22, 2012 12:40
Bydliště: ZL

Re: Led denne svietenie

Příspěvek od pejee »

Už ti to i svítí jak má? :)
Chevrolet new Aveo (sonic) Misty Lake
Uživatelský avatar
Boeing737
Příspěvky: 1883
Registrován: ned čer 10, 2012 02:27

Re: Led denne svietenie

Příspěvek od Boeing737 »

Nie,vyššie o tom píšem a už je to naozaj o nervy.
Predám celé auto za 1000 eur :)
Alebo zaplatím 1000 tomu,kto to vypne ;)
Chevrolet AVEO LT, 1.2 63kW,2012 Borocay Blue
...v koži od MAD, DRL, kamera ... a ešte nie je koniec :)
Uživatelský avatar
frezzi
Příspěvky: 1576
Registrován: pon říj 08, 2012 17:10
Bydliště: Slovensko

Re: Led denne svietenie

Příspěvek od frezzi »

okej zajtra som u teba :lol: :PP:
Aveo 1.4 16V 69Kw, sedan Šedá Metalíza -
výbava : čím ďalej tým lepšia :D
Uživatelský avatar
frezzi
Příspěvky: 1576
Registrován: pon říj 08, 2012 17:10
Bydliště: Slovensko

Re: Led denne svietenie

Příspěvek od frezzi »

podrobne mi pofoť káble pod palubkou a pozrieme sa nato , to čo si označil šipkou na druhej fotke je zapojene do čoho ?
Aveo 1.4 16V 69Kw, sedan Šedá Metalíza -
výbava : čím ďalej tým lepšia :D
Odpovědět

Zpět na „Aveo - Elektronika“