Závady

Pokud se váš dotaz nehodí do žádné sekce pište jej sem

Moderátor: Blue Lanos

Odpovědět
Uživatelský avatar
denny
Příspěvky: 455
Registrován: ned bře 20, 2011 21:12
Bydliště: Třinec

Re: Závady

Příspěvek od denny »

Měl jsem podobný problém, hodiny se opožďovaly o cca 5-10min někdy. Ptal jsem se na fóru tady a bylo mi doporučeno vypnout aktualizaci času podle RDS :-) Zatím vše v pohodě :PP:
Moje: Chevrolet Cruze 1.6 LS+ Misty Lake, 17" origo chevy, K&N filtr

Tátovo: Chevrolet Orlando 1.8 LTZ, Smoke Grey
Reklama
 

Iacobus
Příspěvky: 958
Registrován: pát zář 10, 2010 10:51
Bydliště: Slovakia

Re: Závady

Příspěvek od Iacobus »

Dík. Skúsim.
Uživatelský avatar
Zdenek R6
Příspěvky: 101
Registrován: ned čer 06, 2010 21:09
Bydliště: Olomouc
Kontaktovat uživatele:

Re: Závady

Příspěvek od Zdenek R6 »

K tomu pískání, opravdu je tam akustická signalizace. Je to plíšek, který neničí kotouč. teď jsem to měnil (po 71 tis km v taxíku -i ). Prý pokud destičky mají senzor klasický na přístrojovku, tak na to každý prdí, protože ví, že má rezervu. Tak ale desky vyměníš, protože se to nedá poslouchat. něco na tom bude :D
Bílý Cruze 1,8 LT
Yamaha R1
Yamaha R6
MadAss
Opel Omega C
Kjub
Příspěvky: 1975
Registrován: ned kvě 16, 2010 16:50

Re: Závady

Příspěvek od Kjub »

No mne sa vysuchali za 50t km....brzdim o 20t km silnejsie.....sssss....dost neekonomicke brzdenie mam.... :mrgreen:
Chevy Cruze Black´n´ Black 2.0 diesel power LTZ
Uživatelský avatar
Doyle
Příspěvky: 219
Registrován: úte dub 10, 2012 13:02
Bydliště: Brno - Vinohrady
Kontaktovat uživatele:

Re: Závady

Příspěvek od Doyle »

Kjub píše:No mne sa vysuchali za 50t km....brzdim o 20t km silnejsie.....sssss....dost neekonomicke brzdenie mam.... :mrgreen:
Tak je to i o té váze ne.. nevím teda jestli 1,8 benzin a 2,0 diesel maji stejne kotouče nicméně diesel je taky o nějaký to kilo těžší ne ...
Cruze HB LT Plus, 1,6 91kW, Šedá Smoke Grey FOTO Cruze
Dříve:
Peugeot 205 XS 1,4 58kw ( 786kg ) = třídveřové letadlo FOTO 205
Peugeot 406 ST 1,8 16V 81kW / sedan FOTO 406

Obrázek
Uživatelský avatar
fatrc
Příspěvky: 196
Registrován: sob pro 11, 2010 11:38
Bydliště: Nitra

Re: Závady

Příspěvek od fatrc »

Mám staro novú závadu pre vysvetlenie stará pre mňa lebo ma to štve už dáky ten rok a nová tu na fóre lebo som to tu nenašiel. Popis závady je že odozva motora na plynový pedál je buď spomalená alebo žiadna. Auto ide ale nie tak ako by malo ísť. Ťažko sa to vysvetluje ale mám pocit akoby motor nevyužíval plný výkon. Málokto z Vás má tú možnosť ako ja porovnávať dve skoro totožné autá sestra má Cruza 1,6 83kW 12/2009 ja mám 1,6 83kW 11/2010 čiže motor prevodovka všetko je tam rovnaké ale jej auto ide o poznanie lepšie je v tom asi taký rozdiel ako medzi felíciou a superbom. V servise na diagnostike neukazuje žiadnu chybu. Naozaj netuším príčinu ale vždy keď musím ísť sestriným autom ma vytáča do nepríčetnosti tá ľahkosť a plynulosť pri zrychlovaní a celkový chod motora, prevodovky a podobne :((
Biely Cruze 1.6 LS PLUS
Uživatelský avatar
Dimco Nubira 97
Příspěvky: 903
Registrován: pon úno 08, 2010 14:49
Bydliště: Trnava

Re: Závady

Příspěvek od Dimco Nubira 97 »

Niečo môže byť pripchaté, preventívne vyskúšaj vymeniť palivový filter a daj do benzínu buď aditívum alebo natankuj jednu nádrž shell v-power racing či to nepomôže

Aditíva čo som ja odskúšal : VIF Benzin aditiv - na dlhodobé používanie
a STP injector cleaner aditiv, to je len raz za čas, silný koncetrát na prečistenie vstrekov, tu som spozoroval markantný tozdiel pri použití
Daewoo Nubira 1.6 SX 106hp :)
Otieckova Epica 2.0 VCDI 110kW v mojom užívaní aby ste ma toľko nehanili :D
Seat LEON 1.4 TSI
Iacobus
Příspěvky: 958
Registrován: pát zář 10, 2010 10:51
Bydliště: Slovakia

Re: Závady

Příspěvek od Iacobus »

denny píše:Měl jsem podobný problém, hodiny se opožďovaly o cca 5-10min někdy. Ptal jsem se na fóru tady a bylo mi doporučeno vypnout aktualizaci času podle RDS :-) Zatím vše v pohodě :PP:
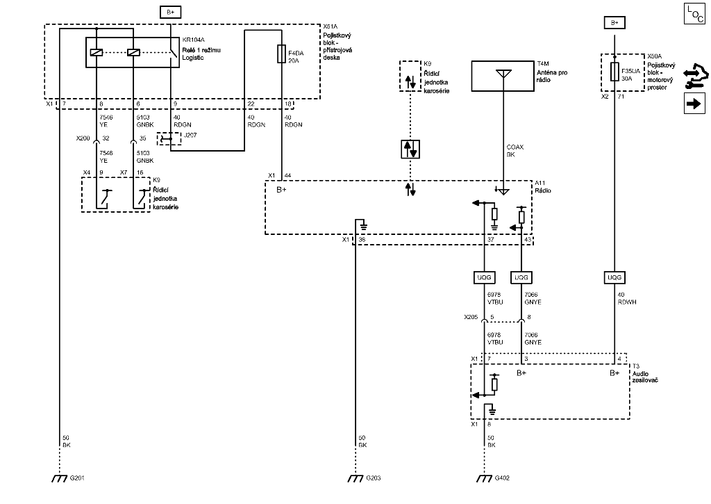
Skúsil som a nepomohlo. Napadla ma taká somarina, nemá náhodou ten displej,resp. rádio v sebe nejakú batériu napr. CR3032, ako to býva v elektronike(kamera,video...) aby udržal v sebe čas aj keď je vypnutý. V schémach som našiel iba to, že rádio je napojené na nejaké napájanie B+ (asi autobatéria). Mohol by sa na to pozrieť Honza72, ten je frajer cez elektriku. :D Halóóó Honzo pomoc. :PP: :PP: :PP:
2202865CS.png
Uživatelský avatar
honza72
Příspěvky: 554
Registrován: úte čer 23, 2009 11:31
Bydliště: Ostravsko

Re: Závady

Příspěvek od honza72 »

Tak 1.: radio se opravdu odpojuje od baterie (po 10min od OFF IGN), jestli je čas zálohován baterií nebo spíše vysokokapacitním kondenzátorem (řádově Farady) zjistit ze schémat nejde, spíš by pomohlo to kuchnout, když to někdo přehazuje na ty DVD serepetičky, určitě něčím ten čip času musí být napájen, to je pravda, protože to schéma, co jsi sem dal, je s tím zesilovačem v kufru, ale já ho třeba nemám, protože mám repro jen vpředu a zpětné vedení +BAT není...

2. mě opravdu pomohlo jedině vypnout synchro času z RDS, už jsem to psal někde v roce 2010, protože naši vysílatelé rádia, u Vás to asi nebude lepší, moc nevysílají správný ATOMOVÝ čas v RDS, takže se mi stávalo, že jsem přepnul na stanici, kde se čas opravil, pak za chvíli jinam a byl zase KO. Dokonce jsem někdy v r. 2010 drbal náš rozhlas, jmenovitě Radiožurnál, protože to celkem šlo, ale pak se to zvenclo a synchro bylo v dupě, ale žádná reakce, tak nevím,

3. jediný spolehlivý synchronizátor byl, nebo je RADIO Zet z PL, ale to mě více méně nebaví, po přepnutí na Kiss, Evropu, aj. se to zase rozhodilo, takže to nechávám nastaveno jak je a dvakrát ročně, při přechodu času, sešteluju.
Mitsubishi Lancer Sportsedan 1,6 MIVEC
Ex. Cruze, Kalos, Nexia
--------------------------------------
Iacobus
Příspěvky: 958
Registrován: pát zář 10, 2010 10:51
Bydliště: Slovakia

Re: Závady

Příspěvek od Iacobus »

Ďakujem Honzo !!! Som vedel že si kabrňák a nesklameš. Je pravda že zopár ľudí tu už dávalo do Cruza to čínske DVD. Možno si to niekedy niekto prečíta.
Čo sa týka toho RDS, tak mi je hlavne divné to, že by to začalo robiť len tak, pre nič za nič po troch rokoch. :?: :?: :?:
Vždy som to mal nastavené na synchro cez RDS. Pochybujem že by sa niečo udialo s RDS na tých dvoch staniciach čo počúvam.
Uživatelský avatar
honza72
Příspěvky: 554
Registrován: úte čer 23, 2009 11:31
Bydliště: Ostravsko

Re: Závady

Příspěvek od honza72 »

No já nevím, co by se mohlo stát s RDS během let, ale mě to opravdu začlo blbnout až v r. 2010, cca po roce používání. A jak jsem psal, opravdu se v mém případě jedná o nekorektní data času v RDS, protože jsou stanice, které to sesynchronizují správně a některé to rozhodí a tak stále dokola.

Nicméně, musím s lítostí konstatovat, že i tak jsme min. sto let pozadu, protože i v té pitomé "emerice" Cruze přijímá digitální satelitní rozhlas DAB, přičemž tam mají stovky stanic bez blbých keců a jen hrají.... Samo, že má Cruze i jiný soubor antén a jiný modul rádia, ale musí to být bomba!
Mitsubishi Lancer Sportsedan 1,6 MIVEC
Ex. Cruze, Kalos, Nexia
--------------------------------------
Uživatelský avatar
smire666
Příspěvky: 4087
Registrován: stř srp 17, 2011 20:24
Bydliště: Bratislava IV.

Re: Závady

Příspěvek od smire666 »

DAB by mali mať všetci tí, čo majú CD400 a CD500... napr. Orlando LT+, LTZ, podobne Cruze...
Aspoň toľko múdra knižka...
Chevrolet Orlando LT benzín, olympic white
EAGLE SQUADRON
Portal-Orlando-Forum.de ( premium Mitglied )
Uživatelský avatar
honza72
Příspěvky: 554
Registrován: úte čer 23, 2009 11:31
Bydliště: Ostravsko

Re: Závady

Příspěvek od honza72 »

No, ale záleží na pásmu, jestli z terestriky nebo ze satelitu LEO....
Mitsubishi Lancer Sportsedan 1,6 MIVEC
Ex. Cruze, Kalos, Nexia
--------------------------------------
Uživatelský avatar
smire666
Příspěvky: 4087
Registrován: stř srp 17, 2011 20:24
Bydliště: Bratislava IV.

Re: Závady

Příspěvek od smire666 »

Chevrolet Orlando LT benzín, olympic white
EAGLE SQUADRON
Portal-Orlando-Forum.de ( premium Mitglied )
romanbb
Příspěvky: 71
Registrován: sob črc 28, 2012 19:48

Re: Závady

Příspěvek od romanbb »

Mám delikátny problém so zamrzaním predného skla zvnutra. Ako keď sa mi to stalo prvý krát tak pochopím, klímoval som ako divý, prišiel som domov, odstavil auto a do rana to bolo zamrznute. Ale pomaly ma začína srať, že mi to zamrza vždy keď je vonku pod -5 a mrzne aj predné sklo. Rady typu, že tam mám vodu atd asi nie sú na mieste, kedže tam mám sucho a pred parkovaním kus vyvetrám cez okná a nakonci cez dvere. Mám to reklamovať alebo neuspejem ? lebo ma trošku mrzí, že na tak drahom aute, si pripadám jak na š100. Dík za názory :)
Odpovědět

Zpět na „Cruze - Technická sekce“