Stránka 2 z 2
Re: Matiz snímač rychlosti vozidla?
Napsal: úte bře 13, 2012 23:02
od drahota
Zítra to tedy ještě rozdělám,zatím dííííík.
Re: Matiz snímač rychlosti vozidla?
Napsal: čtv bře 15, 2012 11:10
od drahota
Pro toho co píše !!!!!!!!! Chytrosti umím taky,demontoval jsem tachometr,je jen mechanický.Žáddné snímání a ni nic podobného?
Re: Matiz snímač rychlosti vozidla?
Napsal: čtv bře 15, 2012 20:18
od kesko
Veď Palix písal, že sa menili budíky. Ten snímač môže byť v tom budíku zabudovaný. Skús zavolať do značkového servisu, možno ti poradia.
Re: Matiz snímač rychlosti vozidla?
Napsal: čtv bře 15, 2012 21:44
od palikx

- P1020973.JPG (152.12 KiB) Zobrazeno 2331 x
jo jeste ze sem to nikdy nevidel a nic o tom nevim a pisu chytrosti.to mate teda kliku ze jste narazili na takoveho blbouna jako sem ja.
takze predpokladam ze prumerne inteligentni clovek najde podle schematu kde snimac je.
ale jsem vlastne kokot ja vim
priznam se ze me ten prispevek neskutecne nasral.
Re: Matiz snímač rychlosti vozidla?
Napsal: pát bře 16, 2012 08:04
od drahota
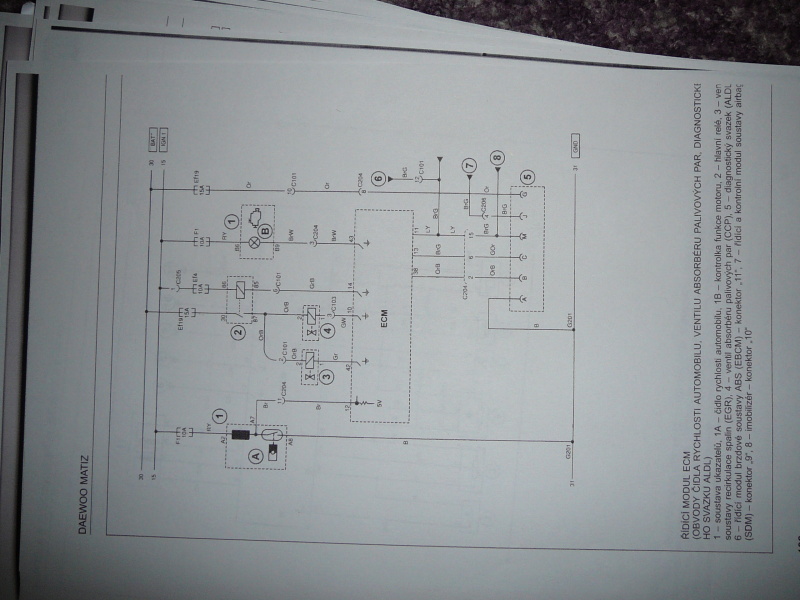
Nevím kdo kde vzal že se měnily budíky. Nicméně jediný elektronický věci na motoru v okruhu snímání otáček je rozdělovač a sensor klepání.Ten tachometr se týká rv. 1998?
Re: Matiz snímač rychlosti vozidla?
Napsal: pát bře 16, 2012 10:32
od palikx
koukam ze si nedas pokoj
ve schematu to mas popsany
vynecham vse jen ze se poradne podivej.
a tedy pro uplnnost dodam ze snimac je jakysi jazyckovy.
nikdy jsem to neresil jelikoz na to neni v servisu cas abych rozebiral budiky.
vzdy se menily cele -teda asi jen 2 krat za dobu co jsem ty auta delal v autorizovanem servisu.
tedy pravdepodobne snimac neni primo na tachometru ale nekde vedle v budikach.
z vibraci auta ci jak presne ta kravina funguje pozna ze se hybe a to jednotce staci aby se podle toho zaridila.

Re: Matiz snímač rychlosti vozidla?
Napsal: pát bře 16, 2012 12:09
od honza72
Každý mechanický otáčkoměr, tj. i tachometr, má rotující magnet, který unáší vířivými proudy kalíšek a ten tlačí silou proti síle pružiny a vyvolává rotační moment, který pak ukazuje rafika. A ten jazýček se přidával u více typů aut v 90.letech proto, že je to dvojkov, reagující na magnetismus, impulsy jsou pak integrovány a jejich integrál je směrnicí rychlosti. Takže je přímo v budíku tachometru....